جستجو مطالب
تصفیه پساب صنایع آبکاری
تصفیه پساب صنایع آبکاری فلزات
آبکاری الکتروشیمیایی فلزات که متداولترین نوع آبکاری است بر اساس جایگزینی الکتریکی عمل میکند. آند و کاتد ویژگیهای الکتریکی فلز هستند که از آنها برای آبکاری استفاده میشود. کاتد قسمتی است که پوشش فلزی آبکاری روی آن قرار میگیرد. کاتد و آند هر دو در یک حمام الکترولیتی غوطهور شده و یک جریان dc از میان آنها عبور میکند.
این حمام از نمک و فلزی که قرار است به عنوان ماده آبکاری استفاده شود ساخته شده است. بعد از عبور جریان، یونهای فلزی به سطح کاتد انتقال پیدا کرده و روی قطعه متصل به کاتد مینشینند. این روش آبکاری تقریباً مانند روش الکتروفرمینگ است اما تفاوتهایی هم با آن دارد. در واقع در آبکاری فلزی که توضیح دادیم جنس ماده آبکاری با جنس محصول مورد نظر یکی است. اما در الکتروفرمینگ ابتدا یک لایه نازک از روی قطعه مورد نظر برداشته شده و بعد با آلیاژ مورد نظر آبکاری انجام خواهد شد. در نتیجه در این روش، مقاومت محصول در برابر شرایط محیطی بیشتر خواهد شده و قیمت آن نیز افزایش مییابد. این دو روش میتوانند به صورت جداگانه یا ترکیبی استفاده شوند. اگر برای محصولی از هر دو روش استفاده شود ارزش آن بسیار بیشتر خواهد شد.
انتخاب الکترولیت های مورد نیاز برای آبکاری فلزات:
انتخاب الکترولیت مناسب برای آبکاری در میزان کیفیت آبکاری نقش بسیار مهمی دارد. الکترولیتها خواص مختلفی دارند؛ مثلاً برخی اسیدی، برخی بازی و برخی به صورت نمکهای فلزی یا نمکهای مذاب هستند. برای انتخاب صحیح نوع الکترولیت مناسب، باید مواردی مثل خوردگی، مقاومت، روشنایی محصول و میزان بازتاب، سختی، مقاومت مکانیکی، انعطاف پذیری و مواردی از این دست را در نظر داشته باشید.
آماده سازی سطح محصول برای آبکاری فلزی:
آماده کردن سطح محصول قبل از آبکاری به معنی پاکسازی آن از هر نوع جرم و آلایندهای است که در صورت عدم پاکسازی، باعث ایجاد ناهمواری در محصول نهایی و کیفیت پایین محصول خواهد شد. همچنین آلایندهها میتوانند مانع از رسوب و چسبندگی فلز آبکاری شوند و طول عمر مفید آن را کاهش میدهند. این کار در سه مرحله زیر انجام میشود:
تمیز کردن محصول:
برای تمیز کردن، اغلب از حلالهای خاص قلیایی، آب یا پاک کنندههای اسیدی استفاده میشود.
پرداخت:
پرداخت به معنی یک دست کردن سطح محصول مثلاً با سمباده مخصوص است تا آبکاری به صورت یکنواخت و زیبا انجام شود.
شستشوی کامل محصول:
شستشو، آخرین مرحله آماده کردن سطح مورد نظر برای آبکاری است که ممکن است به روش فیزیکی یا شیمیایی بر حسب نوع محصول انجام شود. در تمیز کردن شیمیایی از حلال های مخصوص استفاده میشود. اما در تمیز کردن فیزیکی از انرژی مکانیکی مثل فشار زیاد آب و فرچه برای حذف آلایندهها استفاده میکنند.
میزان مصرف آب در صنعت آبکاری:
مصرف آب در صنایع آبکاری می تواند بسته به عوامل مختلفی از جمله اندازه تاسیسات، فرآیندهای خاص آبکاری مورد استفاده و کارایی شیوه های مدیریت آب متفاوت باشد.
آب در مراحل مختلف فرآیند آبکاری از جمله تمیز کردن و آماده سازی بستر، شستشو بین مراحل فرآیند و شستشو و تکمیل نهایی استفاده می شود. آب معمولاً به عنوان حامل مواد شیمیایی، به عنوان یک عامل شستشو برای حذف مواد شیمیایی یا آلاینده های باقیمانده و برای حفظ دمای مطلوب در طول فرآیندهای آبکاری استفاده می شود.
مصرف آب می تواند از چند صد گالن در روز برای عملیات آبکاری کوچکتر تا چندین هزار گالن یا بیشتر برای تاسیسات بزرگتر متغیر باشد. به طور کلی میانگین مصرف آب در صنایع آبکاری ۵/۲ متر مکعب بر کیلوگرم محصول نهایی است.
توجه به این نکته مهم است که شیوه های صرفه جویی و بازیافت آب در صنعت آبکاری برای به حداقل رساندن مصرف آب و کاهش اثرات زیست محیطی اهمیت فزاینده ای پیدا کرده است. بسیاری از تاسیسات آبکاری، سیستمهای بازیافت آب مانند سیستمهای حلقه بسته، سیستمهای تبادل یونی یا سیستمهای اسمز معکوس را برای تصفیه و استفاده مجدد از آب فرآیندی اجرا میکنند و در نتیجه مصرف کلی آب را کاهش میدهند.
میزان تولید فاضلاب در صنعت آبکاری:
بر اساس تجربیات شرکت ابنیه پایدار سبز در صنایعی که واحد های آبکاری داشته اند، میزان مصرف آب و تولید پساب در صنایع آبکاری نسبتا کم می باشد اما پساب صنایع آبکاری بسیار سمی و آلوده می باشد، به عنوان نمونه، میزان تولید پساب در شرکت صنعتی پیک افروز غرب( تولید کننده قطعات و مجموعه های خودرو و تجهیزات برشکاری و جوشکاری گاز) به طور متوسط، ۲ متر مکعب در شبانه روز میباشد.
میزان تولید پساب کارخانه کوشش رادیاتور در بخش آبکاری، به طور متوسط حدود ۳۰ متر مکعب در ماه برآورد گردید. میزان تولید فاضلاب صنعتی در کارخانه تکنوگاز در واحد آبکاری( واحد چربیگیری و شست و شوی سطوح فلزات، واحد پرداخت و واحد آبکاری) به طور متوسط برابر با ۳۰ متر مکعب در شبانه روز برآورد گردید.
تصفیه آب در صنایع آبکاری:
آب مورد نیاز قسمت های مختلف صنایع آبکاری دارای مشخصات مختلفی میباشند مثلا برای حمام فلزات قیمتی و نیمه هادی آب مقطر مورد نیاز است در قسمت حمام نیکل، مس اسیدی به آب تصفیه شده بدون ذرات معدنی نیاز است و در قسمت آبکاری روی، مس قلیایی و چربیگیرها استفاده از آب طبیعی(۲۵۰ تا ۱۰۰۰ میکروزیمنس) کافی است.
روش های مختلفی برای تصفیه آب ورودی با توجه به میزان کیفیت آب وجود دارد:
فیلتراسیون: فیلتراسیون اغلب اولین مرحله در تصفیه آب برای صنایع آبکاری است. این شامل حذف جامدات معلق، ذرات و زباله ها از آب تغذیه با استفاده از تکنیک های مختلف فیلتراسیون مانند فیلترهای چند رسانه ای، فیلترهای کربن فعال یا فیلترهای کارتریج است.
تنظیم pH: سطح pH آب تغذیه ممکن است نیاز به تنظیم در محدوده خاصی مناسب برای فرآیند آبکاری داشته باشد. تنظیم pH را می توان با استفاده از سیستم های دوز اسیدی یا قلیایی برای رسیدن به سطح pH مورد نظر انجام داد.
اسمز معکوس (RO): اسمز معکوس یک روش متداول برای تصفیه آب در صنایع آبکاری است. این شامل عبور آب خوراک از یک غشای نیمه تراوا برای حذف نمکهای محلول، مواد معدنی و سایر ناخالصیها و تولید آب تصفیهشده برای کاربردهای آبکاری است.
دییونیزاسیون (DI): دییونیزاسیون یکی دیگر از روشهای تصفیه آب است که اغلب در صنایع آبکاری استفاده می شود. از رزین های تبادل یونی برای حذف یون های محلول مانند کلسیم، منیزیم و فلزات از آب استفاده می کند و آب یونیزه شده را برای فرآیندهای آبکاری تولید می کند.
نرم کننده آب: نرم کننده آب برای کاهش سختی آب ناشی از سطوح بالای یون های کلسیم و منیزیم استفاده می شود. نرم کننده های آب از فرآیندهای تبادل یونی برای جایگزینی یون های سختی با یون های سدیم استفاده می کنند و از تشکیل رسوب جلوگیری می کنند و عملکرد آبکاری را بهبود می بخشند.
تصفیه شیمیایی: بسته به مسائل خاص کیفیت آب، روش های تصفیه شیمیایی مانند اکسیداسیون، انعقاد یا لخته سازی ممکن است برای مقابله با آلاینده هایی مانند ترکیبات آلی، فلزات سنگین یا سایر ناخالصی های خاص موجود در آب خوراک استفاده شود.
تصفیه پساب صنایع آبکاری فلزات:
با توجه به اینکه پساب صنایع آبکاری به شدت سمی و آلوده به حساب میآید به طوریکه غلظت موادی مانند آهن، سیانور، کروم ۳ ظرفیتی و ۶ ظرفیتی و... به شدت بالاست و با توجه به استاندارد تخلیه پساب صنعتی که برخی از آنان در جدول زیر نمایش داده شده است لذا تصفیه پساب صنایع آبکاری امری به شدت ضروری است.
استاندارد تخلیه پساب صنایع آبکاری فلزات
| ردیف | مواد آلوده کننده | تخلیه به آب های سطحی (mg/l) | تخلیه به چاه جاذب(mg/l) | مصرف کشاورزی و آبیاری(mg/l) |
| 1 | سیانور | 0.5 | 0.1 | 0.1 |
| 2 | کروم +6 | 0.5 | 1 | 1 |
| 3 | کروم +3 | 2 | 2 | 2 |
| 4 | آهن | 3 | 3 | 3 |
| 5 | نیکل | 2 | 2 | 2 |
| 6 | PH (حدودی) | 6.5-8.5 | 5-9 | 6-8.5 |
| 7 | COD | 60لحظه ای 100 | 60لحظه ای 100 | 200 |
با توجه به پروسه تولید، واحد های تولید کننده پساب صنعتی در کارخانه های آبکاری فلزات به قرار زیر است:
1. واحد چربیگیری و شست و شوی سطوح فلزات
2. واحد آبکاری
۱- در واحد اول به منظور حذف چربی و زنگ آهن و آماده نمودن سطوح فلزات جهت انجام آبکاری، از محلول های بازی و اسیدی استفاده میشود. لذا پساب حاصل از این واحد حاوی مقادیر قابل توجهی آهن بوده و در مواقعی به شدت اسیدی و گاهی اوقات بازی میباشد. پساب حاصل از فعالیت صنعتی در این واحد از دو لحاظ دارای اهمیت است:
۱- در این قسمت به لحاظ حجمی نسبت به واحد آبکاری بیشترین پساب از لحاظ کمی تولید می شود.
۲- پساب خروجی از تمامی حوضچه های این واحد از لحاظ کیفیتی به دلیل داشتن تغییرات در pH و عموما داشتن pH بسیار پایین و بالا بودن آهن در آن مورد توجه است.
۲- در این قسمت آلاینده های مهمی نظیر کرم و آهن در اثر شست و شوی فلزات آبکاری شده وارد پساب میشوند.
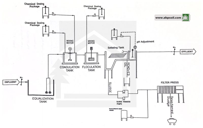
روش های مختلفی برای تصفیه پساب ناشی از کارخانه های دارای بخش آبکاری با توجه به آنالیز پساب می توان پیشنهاد کرد اما متداولترین روش تصفیه این نوع پسابها روش ترسیب شیمیایی است. در این روش ابتدا با تنظیم pH به وسیله اسید یا باز در محدوده مناسب و همچنین در صورت لزوم اضافه نمودن مواد منعقد کننده و کمک منعقد کننده ، فلزات سنگین مانند روی ، کروم ، آهن و مس رسوب نموده و پس از انجام یک مرحله ته نشینی ساده و یا عبور از یک سیستم فیلتراسیون فاضلاب تصفیه شده در حد استاندارد محیط زیست قابل تخلیه به محیط خواهد بود. البته در پساب های حاوی سیانید و کروم شش ظرفیتی یک مرحله مقدماتی به این سیستم اضافه می شود. در صورتی که ترسیب با اضافه نمودن مواد شیمیایی انجام شود به آن ترسیب شیمیایی گفته می شود و اگر به وسیله الکترود انجام گردد به آن روش ترسیب الکتروشیمیایی می گویند.
فلو دیاگرام تصفیه پساب صنعت آبکاری فلزات
روشی که شرکت ابنیه پایدار سبز برای شرکت مهندسی هاتل در نظر گرفت به ترتیب:
1. واحد متعادل سازی جریان
2. واحد اختلاط سریع
3. واحد انعقاد و لخته سازی
4. واحد ته نشینی CPI
5. واحد خنثی سازی و تنظیم pH
6. سیستم آبگیری لجن
7. سیستم تزریق مواد شیمیایی
8. تابلو فرمان و کنترل
فلودیاگرام سیستم تصفیه پساب آبکاری فلزات طراحی شده توسط شرکت ابنیه پایدار سبز
پروژههای انجام شده در زمینهی تصفیه پساب صنایع آبکاری فلزات توسط شرکت ابنیه پایدار سبز
اطلاعات ارائه شده در وبسایت شرکت ابنیه پایدار سبز کلی میباشد. جهت دریافت اطلاعات بیشتر و مشورت در خصوص پروژه مورد نظرتان، همچنین در خصوص تجهیزات تصفیه پساب آبکاری فلزات، نحوهی اجرای تصفیه خانه پساب آبکاری فلزات، تصفیه پساب آبکاری فلزات، تجهیزات تصفیه فاضلاب آبکاری فلزات، نحوهی اجرای تصفیه خانه فاضلاب آبکاری فلزات، تصفیه فاضلاب آبکاری فلزات، تجهیزات تصفیه پساب کارخانه آبکاری فلزات، نحوهی اجرای تصفیه خانه پساب کارخانه آبکاری فلزات، تصفیه پساب کارخانه آبکاری فلزات، تجهیزات تصفیه فاضلاب کارخانه آبکاری فلزات، نحوهی اجرای تصفیه خانه فاضلاب کارخانه آبکاری فلزات، تصفیه فاضلاب کارخانه آبکاری فلزات و سایر موارد در رابطه با صنعت آبکاری فلزات با کارشناسان شرکت ابنیه پایدار سبز تماس حاصل نمایید.









