جستجو مطالب
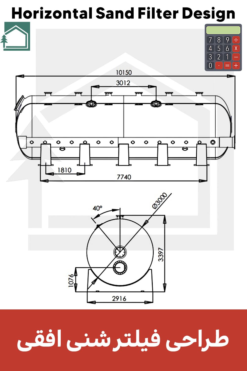
مجموعه ابزارهای محاسبهگر آنلاین تصفیه آب و فاضلاب توسعهیافته توسط ابنیه پایدار سبز، راهکاری جامع، سریع و دقیق برای طراحی و سایزینگ سیستمهای تصفیه شامل فیلتر شنی عمودی، فیلتر کربن فعال، سختیگیر رزینی، فرآیند لجن فعال، انتخاب ممبران RO، ماشین حساب اسمز معکوس، تبدیل واحدهای مهندسی و مجموعه کامل فرمولهای عملیاتی در صنعت آب و فاضلاب است. این ابزارهای رایگان و آنلاین با استفاده از دبی، کیفیت آب ورودی، فشار عملیاتی و استانداردهای بینالمللی، طراحی حرفهای و بهینه سیستمهای تصفیه را در کوتاهترین زمان ممکن میسر میسازند.





